Дымоходы Камни для печей Жаростойкая облицовочная плитка Плитка из натурального камня Алмазные диски Термостойкие светильники Термометры для духовки

☰ Все категории

Дымоходы Камни для печей Жаростойкая облицовочная плитка Плитка из натурального камня Алмазные диски Термостойкие светильники Термометры для духовки
Главная Каталог Дымоходы Опора 1ОП Rosinox

Опора 1ОП Rosinox

Производитель: Rosinox Артикул: PC-4172 Нет в наличии
0 ₽
Поделиться:
Товар временно недоступен
Описание

Опора 1ОП Rosinox

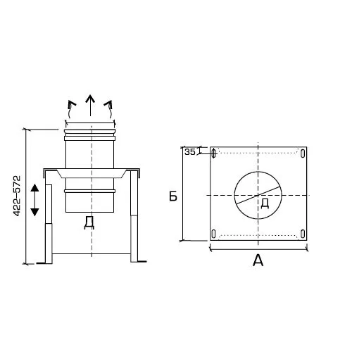
является силовым элементом. Принимает на себя вес вышерасположенной конструкции и переносит его на фундамент. Может использоваться для регулирования высоты в пределах 200 мм за счет телескопического устройства опорных ножек.
Применяется в тех случаях, когда расстояние от теплогенератора до опорной стены здания слишком велико для использования других опорных элементов (К-ОС,КС), а также в случае, когда трудно обеспечить качественное крепление к стене . Опора 1ОП Rosinox состоит из площадки (1ПЩ МОНО) и телескопических опорных ножек с монтажными отверстиями. Каждая опорная ножка состоит из двух прямоугольных пластин с крепежными отверстиями и вертикальными ребрами жесткости. Каждая пластина имеет по 5 монтажных отверстия с каждой стороны, обеспечивающих возможность телескопического раздвижения опорных ножек в пределах 200 мм, дискретно, с шагом 40 мм.
Пластина площадки закрепляется на опорных ножках болтами с гайками.
Опорные ножки жестко закрепляются на фундаменте.
По конструктивным особенностям ОПОРА является неутеплённой (МОНО).
Диапазон диаметров :

80, 100, 110, 115, 120, 125, 130, 150, 180, 200, 250, 300, 350, 400, 450, 500, 600, 700, 800, 900, 1000 мм

Опора 1ОП Rosinox

📞
Связаться с нами
📞
Позвонить
+7 (915) 250-09-29
📧
Написать на почту
zakaz@pechnoy-center.ru
✈️
Telegram
Ответим быстро